Блог
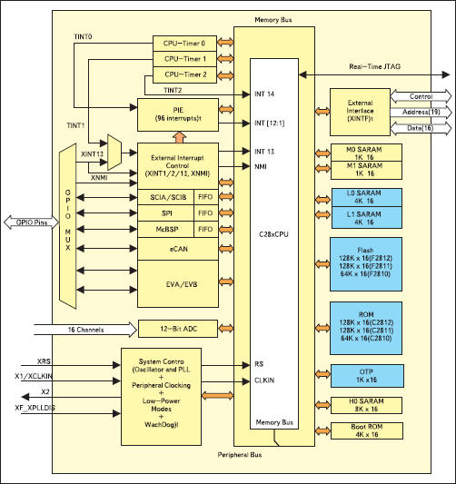
Эффективное управление памятью микроконтроллера⁚ от теории к практике Микроконтроллеры – сердце современных
Эффективное управление памятью в приложениях C для микроконтроллеров Разработка программного обеспечения
Этикет общения в сообществе радиолюбителей⁚ правила успешного взаимодействия Мир радиолюбителей – это
Эргономика паяльника⁚ комфорт и производительность работы В мире электроники, где точность и скорость
Эргономика паяльника⁚ комфорт и производительность работы В мире электроники, где точность и скорость
Энергоэффективные усилители мощности для беспроводных сетей⁚ Путь к зеленой связи В современном мире
Энергоэффективные решения в проектировании световых систем В современном мире‚ где энергосбережение
Энергоэффективные методы обработки сигналов в радиотехнике⁚ Путь к "зеленым" коммуникациям
Энергоэффективность светодиодного освещения⁚ мифы и реальность Светодиоды (LED) прочно вошли в нашу жизнь
Энергоэффективность микроволновых печей⁚ сравнительный анализ моделей В современном мире, где энергосбережение










