Кабели и соединители
Разъемы, провода, шлейфы, антенные кабели, коннекторы и аксессуары для подключения
Подключение генератора сигналов к различным устройствам для тестирования⁚ Полное руководство В современном
Измерение фазовых характеристик радиочастотных сигналов⁚ полный гайд для инженеров В современном мире
Защита дома от взлома с помощью микроконтроллеров⁚ надежная и умная система безопасности В современном
Защита дома от взлома с помощью микроконтроллеров⁚ надежная и умная система безопасности В современном
Автоматический полив огорода с помощью ESP32⁚ Полное руководство Забудьте о ежедневной рутине полива огорода!
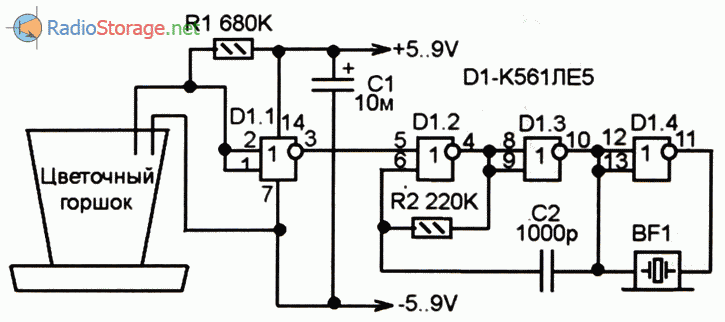
Автоматизация полива растений⁚ датчики влажности и умный огород Забота о растениях – это прекрасное занятие
Оптимизация скорости передачи данных при использовании интерфейсов I2C и SPI В современном мире электроники
Выбор оптимальной конфигурации для различных радиолюбительских видов связи Радиолюбительство – это увлекательное








